由昱昌环境承揽的山东某炼化公司储运废气治理项目蓄热式热力氧化炉(RTO)来处理厂区储罐、装车及污水废气,从2021年起至今超低排放连续稳定运行,净化效率高于99%,热效率高达98.2%,实现非甲烷总烃<20mg/m³达标排放,蓄热式热力氧化炉(RTO)选用旋转切换阀,实现了连续稳定达标排放。

项目背景
山东某炼化公司地处山东省东营市,总加工能力710万吨/年。主要产品包括:国VI车用柴油、液化气、加氢石脑、硫磺、硫酸、石油焦、针状焦等。
公司认真践行“绿水青山就是金山银山”的理念,积极创建清洁、高效、低碳、循环的绿色企业,建设资源节约型、环境友好型生态文明企业。
废气来源
全厂储罐、装载区、污水处理系统高浓度废气、汽提酸性水储罐废气进行收集与深度焚烧治理。
设计方案
项目设计规模20000 m³/h,总烃(C1-C6 烃类),采用“低温柴油吸收+碱液吸收脱硫+总烃浓度均化+蓄热氧化(RTO)”的废气处理工艺,对全厂储罐、装载区、污水处理系统高浓度废气、汽提酸性水储罐废气进行收集与深度焚烧治理。所有轻油储罐区均设有氮封,控制收集废气氧含量,经1600Nm³/h柴油吸收回收部分烃类后,废气进入RTO焚烧处理。项目蓄热氧化(RTO)经过技术筛选最终选定了第三代技术产品——旋转阀式RTO。

图1 RTO撬装
旋转阀式RTO的优势
第三代技术产品——旋转阀式RTO从运行安全性、环保达标稳定性、运行可靠性、经济性等各方面性能表现出色,其产品技术对比如下:
RTO类别 | 两床式RTO | 三床式RTO | 旋转阀式RTO |
技术迭代 | 第一代 | 第二代 | 第三代 |
蓄热室数量 | 2 | 3 | 12 |
对管道风压影响 | ±500Pa | ±250Pa | ±25Pa |
占地面积(以两床为基准) | 100% | 130% | 65% |
重量(以两床为基准) | 100% | 150% | 80% |
综合热效率 | 84% | 92% | 95% |
最高净化效率 | 95% | 99% | 99.5% |
结构 | 4个阀 | 9个阀 | 1个旋转阀 |
最高浓度处理范围 | <1g | <5g | <10g |
热效率 | 90% | 95% | 97% |
阀门年切换次数 | 35万次 | 52万次 | / |

图2旋转阀式RTO结构示意图
旋转阀式RTO主要由燃烧室、陶瓷填料床、旋转阀、燃烧系统等组成。如图2所示,炉体共分为12室,其中5个室进废气,5个出净化气,1个室清扫,1个室起隔离作用。旋转阀式废气分配阀由电机带着连续、匀速转动。在分配阀的作用下,废气缓慢在12个室之间连续切换。旋转阀式RTO的密封结构采用唇式橡胶密封,密封材料选用具有耐磨、耐温、耐蚀的材质。

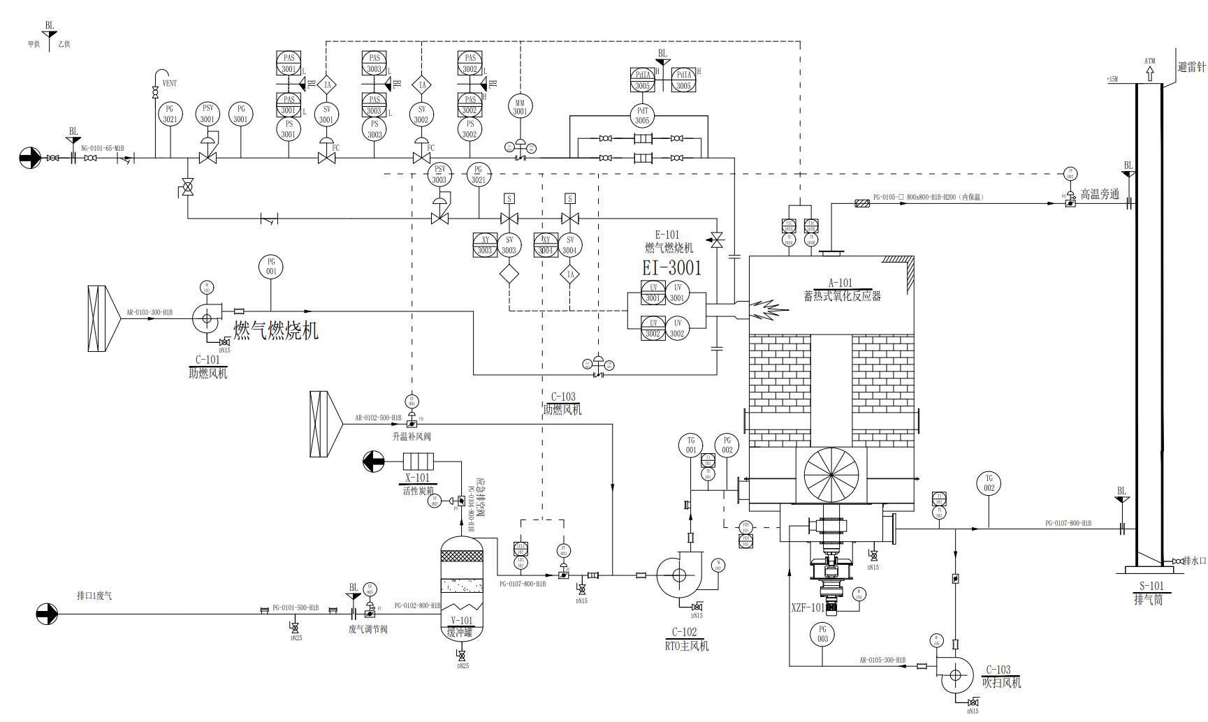
图3 RTO撬装工艺流程
运行情况
项目从2021年6月开始运行至今,从23个月的运行情况来分析,实践证明了第三代技术产品——旋转阀式RTO技术的先进性:
1、净化效率高于99%,烟囱排口检测排放值长期的稳定的低于20mg/m³
2、热效率高达98.2%;
3、占地面积相小;
4、RTO进出口温差小,设备节能性高;
5、RTO装置运行稳定可靠。